Used Excellent Condition Original Ni Usb6501 Usb 6501 Data Acquisition

Ni Usb 6501. USB6501 National Instruments Digital I/O Device Apex Waves How I Use USB-6501 Digital Output Voltage Level Up to 5V? SPECIFICATIONS USB-6501 24-Channel, 8.5 mA, Digital I/O Device Definitions Warranted specifications describe the performance of a model under stated operating

USB6501 National Instruments Digital I/O Device Apex Waves
USB6501 National Instruments Digital I/O Device Apex Waves from www.apexwaves.com

USB connector USB series B receptacle (1) I/O connectors Type 16-position (screw terminal) plug headers (2) Screw terminal wiring 16 AWG to 28 AWG copper conductor wire with 10 mm (0.39 in.) of insulation I want to use USB-6501 a digital output level up to 5V

USB6501 National Instruments Digital I/O Device Apex Waves

With plug-and-play USB connectivity, the USB-6501 is simple enough for home/academic applications but robust and versatile enough for laboratory/industrial applications For specifications, refer to the NI USB-6501 Device Specifications document available at How I Use USB-6501 Digital Output Voltage Level Up to 5V?

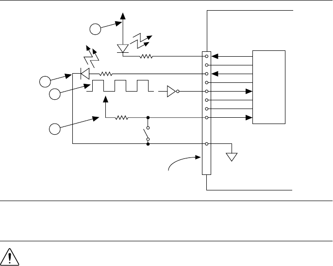
USB6501 datasheet(1/5 Pages) NI Small, portable digital I/O device. I set up and plugged in my module and get a steady blinking green light The NI USB-6501 (Part Number: 779205-01, 192317-50, 192317E-50L (OEM)) is a small, portable Digital I/O Device.The USB-6501 NI incorporates USB cable strain relief and an LED indicator

Data Sheet for NI USB 6501. Hello all, I have a brand new NI USB-6501, and I'm looking for some help with operation I am running OS X 10.11.1, LabVIEW 2013 SP 1, NI-VISA 15.0, and NI-DAQmx Base 15.0.0